T
The Daily Insight

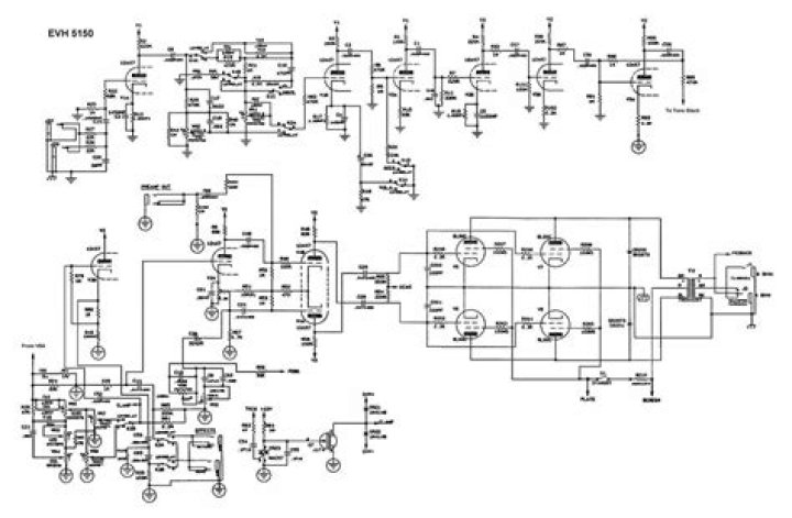
How many Peavey schematics are there for free?

Author

David Jones

Published Mar 28, 2026

How many Peavey schematics are there for free?

We have 95 Peavey Diagrams, Schematics or Service Manuals to choose from, all free to download!

What kind of PA system does Peavey have?

Peavey Audio Performer Pack™ All in One PA System Item Condition: New Brand: Peavey Item Number: 00595700 Type: PA System The Peavey All-In-One Audio Performer Pack is a complete. Portable PA system that packages the new PVi 4B powered mixer with PV Series microphone, loudspeakers and accessories.

What is the impedance of a Peavey speaker?

Peavey 3609660 1808-8 Sps Bwx Wr 18-Inch Pro Audio Speaker With 8 Ohm Impedance Click On Images to Enlarge Description Specifications Product Video Policies Peavey 3609660 1808-8 Sps Bwx Wr 18-Inch Pro Audio Speaker With 8 Ohm Impedance 1808-8 SPS BWX WR (Weather Resistant) 18-inch pro audio speaker.

What are the dimensions of a Peavey sp 2?

The nominal radiation geometry shall be 90 degrees symmetrical about the center axis in the horizontal plane, and +10, -30 degrees about the center axis in the vertical plane. The outside dimensions shall be 30.75 inches high by 20.56 inches wide by 23.00 inches deep. The weight shall be 71 lbs.

How many subwoofers are in a Peavey SP speaker?

Peavey SP-118 Subwoofers. Pair of two Subs. Powerful and in 100% working order Classic Peavey SP-2 PA Speaker! SP2 Loudspeaker w/ 15″ Black Widow! Bi-Ampable! Only 1 left!

Peavey Audio Performer Pack™ All in One PA System Item Condition: New Brand: Peavey Item Number: 00595700 Type: PA System The Peavey All-In-One Audio Performer Pack is a complete. Portable PA system that packages the new PVi 4B powered mixer with PV Series microphone, loudspeakers and accessories.

What kind of waveguide does Peavey SPI 12 use?

The SPi 12 features the Peavey Quadratic Throat Waveguide with an RX 22CT compression driver loaded onto the constant directivity waveguide. The SPi 12 is a two-way speaker system comprised of the 12′ Black Widow

Where to buy vintage Peavey speakers and monitors?

Vintage Pair Of Peavey 205A Phase Reference Monitor Speakers 4 Ohms Sound Great. Shop Smart on Pro Audio. Lighting and DJ Equipment. 5-Star eBay Seller. Call the Experts 1-877-551-7627 Mon-Fri 8:30a-9:00p | Sat-Sun 10:00am-7:00p CST more Shop by Brand.