T
The Daily Insight

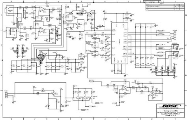
How to get free Bose diagrams and schematics?

Author

Christopher Pierce

Published Mar 25, 2026

How to get free Bose diagrams and schematics?

Bose SoundSport Wire… Bose SoundLink Micro… Please select your desired model below. We have 3 Bose Diagrams, Schematics or Service Manuals to choose from, all free to download! Brand names and product names are the property of their respective owners.

Where are the speaker settings on a Bose?

In the SoundTouch app, select Menu (≡) > Settings > Speaker Settings. On desktops and tablets, if the Menu icon (≡) is not visible, the slide out menu might already be open

What kind of music can I play on my Bose remote?

Easily browse Internet radio stations, your stored music library and popular music services like Spotify®, Pandora®, iHeartRadio™, SiriusXM, Deezer and QPlay. Music services may vary. Quickly set your favorite music as a preset—so you can access it effortlessly on any SoundTouch system or remote

How can I update my Bose SoundTouch adapter?

The SoundTouch adapter will search for updates automatically upon opening the SoundTouch app. If an update is available, the app will prompt you to update. Easily browse Internet radio stations, your stored music library and popular music services like Spotify®, Pandora®, iHeartRadio™, SiriusXM, Deezer and QPlay.

What are the features of a Bosch control panel?

Installer-friendly features for simple installation and communications, including plug-in PSTN and cellular communication modules Remote Security Control app which allows users to control their security systems – and view system cameras – remotely from mobile devices such as phones and tablets

How do I update my Bose Bass Module?

To update the bass module, disconnect the 3.5 mm cable at both ends, pair the bass module to the console and install the software again using the method below. You can manually update the system using the remote control.

How does a Bose portable Bluetooth speaker work?

Bose portable Bluetooth® speakers are designed to keep up with your busy life and engineered to make your music sound amazing. A home speaker, a portable speaker, and a voice-controlled speaker, all in one. Unmatched sound for its size. Rugged and waterproof. Up to 6 hours per charge. Wearable speaker with deep, clear sound for music and calls.

How many keypads does a Bosch intrusion alarm need?

Provides up to 16 points using 8 on-board and 8 wireless points for installation flexibility with perimeter and interior control. Supports keypad points. On-board Ethernet port for Conettix IP alarm communication and remote programming, compatible with modern IP networks including IPv6/IPv4, Auto-IP, and Universal Plug and Play

How does a Bose L1 tower PA system work?

This is a repair of Bose L1 tower PA system. These skinny tower speakers are somewhat of a marvel because they are designed to stand behind the musician (aimed RIGHT AT the microphone) and don’t generate feedback (in most situations). Ah, the miracles of DSP.

Where can I find the Bose service manual?

802 series III Loudspeaker Service Manual Buy it! (10$) 802-II, 802W-II, 802C System Controller Service Manual Buy it! (10$) 901 Active Equalizer Service Manual Buy it! (10$) 901 Series I and II Speaker Service Manual Buy it! (10$) ACM-1 Amplifier Control Module Service Manual Buy it! (10$)

Is it possible to repair a Bose L1?

The bad news is if you have a problem with this first generation L1 (ours is about 10 years old), Bose is zero help. They will no longer repair them and only implore you to get a new system.

What are the models of the Bose L1?

Three models — L1 Pro8, L1 Pro16, and L1 Pro32 — offer legendary 180-degree horizontal coverage, unmatched clarity and tonal balance, plus extended bass response with a unique RaceTrack woofer design.

This is a repair of Bose L1 tower PA system. These skinny tower speakers are somewhat of a marvel because they are designed to stand behind the musician (aimed RIGHT AT the microphone) and don’t generate feedback (in most situations). Ah, the miracles of DSP.

What does Bose L1 PRO Portable line array system do?

L1 Pro portable line array systems advance a PA category invented by Bose into a new era of on-the-go audio for singer-songwriters, mobile DJs, and bands.

Bose SoundSport Wire… Bose SoundLink Micro… Please select your desired model below. We have 3 Bose Diagrams, Schematics or Service Manuals to choose from, all free to download! Brand names and product names are the property of their respective owners.